新浪博客

2018年的一道平面破裂角计算考题之我见

2020-03-16 20:39阅读:
2018年的一道平面破裂角计算考题之我见
方玉树
2018年注册岩土工程师执业资格考试的一道考题(第15题)如下:
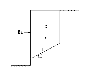
某建筑边坡高10.0m,开挖设计坡面与水平面夹角50°,坡顶水平,无超载(如图1所示),坡体黏性土重度19kN/m3,内摩擦角12°,黏聚力20kPa, 坡体无地下水,按照《建筑边坡工程技术规范》(GB 50330-2013)(以下称国标《边坡规范》2013版),边坡破坏时的平面破裂角θ最接近哪一个选项?
一年前,一位知名学者发文指出了命题存在的问题。笔者读后感到分析还未到位,一些认识还不正确。
1.关于命题者的错误
该学者认为:命题者错误地取消了国标《边坡规范》2013版图6.2.10(见图1)左侧的仰斜式挡土墙,将挡土墙土压力问题错误地变成了边坡问题。他说:“边坡的合法定义是具有倾斜表面的岩土体。原图明明是有垛墙挡着,并无“倾斜表面”的。”
图1 国标《边坡规范》2013版图6.2.10
图1 国标《边坡规范》2013版图6.2.10
对此,笔者有如下不同认识:
(1)有支护的边坡也是边坡,而边坡的支护方式就包括挡墙且挡墙这种支护方式十分普遍。如果有支护的边坡稳定性因受某种因素影响而可能降低时,同样需要对其进行稳定性分析。因此,把有挡墙的边坡继续视为边坡并无问题,把有挡墙的岩土体视为边坡也无问题。国标《边坡规范》2013版图6.2.10 中的土体具有倾斜表面,就算有挡墙挡着,也掩盖不了图中土体具有倾斜表面的特点。这与无论人是否穿着衣服,人的皮肤都有表面是一个道理。
(2)国标《边坡规范》2013版图6.2.10左侧的阴影区域既可视为仰斜式挡土墙也可不视为仰斜式挡土墙,而且笔者倾向于不视为仰斜式挡土墙,原因是:
该标准第6.3.2条属于计算主动岩石压力的规定,其插图(见图2)中陡立坡面外侧也未画出挡墙。
图2 国标《边坡规范》2013版图6.3.2

图2 国标《边坡规范》2013版图6.3.2
该标准图6.2.10左侧的阴影区域轮廓为倒三角形,哪有这样的挡土墙呢?难道挡土墙不需要地基承载力了吗?
(3)无论该标准图6.2.10左侧的阴影区域是否视为挡墙,都不影响该图中的土体为边坡的定性,因为:
该图所在条文(即第6.2.10条)引出该图时所用短语是“当边坡的坡面为倾斜、坡顶水平、无超载时(图6.2.10)” ,这表示该图中的土体为边坡。
该图的名称为“边坡的坡面为倾斜时计算简图”,这表示该图中的土体为边坡。
根据该标准名称和该标准第6.3.2条所在章的标题,在无特别声明的情况下,该图中的土体只能视为边坡。
(4)把边坡问题变成挡土墙土压力问题,让考生用主动土压力概念计算边坡破坏时的平面破裂角的做法确实是错误的,但是,如果注册岩土工程师执业资格考试允许或要求考国标《边坡规范》2013版中的内容,又仅仅要求命题者命题符合相应标准条文的规定(不要求发现相关标准条文存在的问题),那么,这种错误不在命题者,而在国标《边坡规范》2013版本身。当然,主动土压力为负值却要求计算破裂角的做法属于命题者的错误。
2.关于国标《边坡规范》2013版第6.2.10条的错误
(1)该学者说:正是国标《边坡规范》2013版第6.2.10条文字中出现的一系列“边坡”用词,误导了命题者。该条中的土体属于“墙后土体”,没有倾斜表面,没有所谓的边坡。
笔者认为:根据笔者在上一节(即“关于‘命题者的错误’”一节)中所述,国标《边坡规范》2013版第6.2.10条图文本来就属于边坡支护结构岩土荷载计算的规定(这种性质的规定是专门的边坡设计类标准必须有的),该条出现若干“边坡”用词并无问题,误导命题者的不是该条图文中的“边坡”用词,而是该标准所用的边坡抗滑支护结构岩土荷载计算方法(即用主动土压力概念计算作用在边坡抗滑支护结构的岩土荷载)。这个错误不仅造成很多自相矛盾之处和缺项,更重要的是给工程带来严重安全隐患【1】。
就以这个考题为例。用国标《边坡规范》2013版列出的简化毕晓普法算得该边坡抗滑稳定系数为1.00。因此,该边坡抗滑稳定系数远未满足要求,需对边坡进行处理。但按该标准第6.2.10条公式计算,相应主动土压力为-129kN/m,据此该边坡早已无需设置挡墙。该标准第6.2.10条公式如下:
图片未命名
式中:Ea——水平土压力合力(kN/m);
Ka——水平土压力系数;
h——边坡的垂直高度(m);
γ——支护结构后的土体重度,地下水位以下用有效重度(kN/m3);
α’——边坡坡面与水平面的夹角(°);
c——土的粘聚力(kPa);
φ——土的内摩擦角(°);
θ——土体的临界滑动面与水平面的夹角(°)。
类似的情况同样出现在国家标准《建筑地基基础设计规范》(GB50007-2011)中,详见该标准第6.7节(“土质边坡与重力式挡墙”)和第6.8节(“岩石边坡与岩石锚杆挡墙”)特别是第6.7.3条第1款【“对土质边坡,边坡主动土压力应按式(6.7.3-1)进行计算”(虽然对符号γ采用了填土重度这种矛盾的解释)】和第6.8.3条【“对单结构面外倾边坡,作用在支挡结构上的推力可根据楔体平衡法进行计算”(根据该条条文说明,按“楔体平衡法”计算的结果相当于方向与滑面平行的主动土压力)】。
(2)该学者说:在设定墙背摩擦角等于墙背以竖直面为基准、仰斜为负的倾斜角的条件下,对国标《边坡规范》2013版图6.2.10(见图1)这种情况,按照库伦理论计算即可。
笔者不赞同这种说法。
(1)一般地说,因对边坡抗滑稳定系数的要求(即稳定安全系数)是一个明显大于1且随工程重要性变化的值,不能将基于土体极限平衡(即土体稳定系数为1)的主动土压力视为边坡抗滑支护结构岩土荷载。边坡抗滑支护结构岩土荷载计算应采用按稳定性公式反算法【1】。
(2)不少人对土压力理论的认识存在误区,以为只要土体外侧有挡墙就可以甚至应该用主动土压力概念计算作用在抗滑支挡结构上的土体荷载。实际上,经典土压力理论是填土压力理论,系针对挡墙背后全填方的情况而提出的。考虑到软土地区挡墙与背后全填方挡墙都有在挡墙出现前未形成位置及倾斜情况与墙背相同的土体陡立侧面的特点,土压力理论也可用于软土地区挡墙【1】。但是,背后全填方挡墙和软土地区挡墙这两种情形也都可以(不是必须)按边坡对待即采用按稳定性公式反算法计算抗滑支护结构岩土荷载。
(3)如果将图1所示情况明确为背后全填方挡墙情况,同时,增大墙背倾角,降低土体强度参数,给定墙背摩擦角,且声明不按边坡对待,那么可以用库伦主动土压力公式计算作用在挡墙上的土体荷载,但仍然不能用国标《边坡规范》2013版第6.2.10条公式计算主动土压力。这是因为该条公式作为主动土压力公式是错误的。
错误的原因是:该条公式将墙背倾斜时的主动土压力方向定为水平,使该方向既与墙背倾斜情况无关,又与墙背摩擦角无关。该条公式只有在墙背摩擦角等于墙背以竖直面为基准、仰斜为负的倾斜角的条件下才成立,而这个条件既没有给出,更不符合常理。
3.关于该考题中的边坡稳定性评价结论
该学者说:“考题15 给出的是一个无需挡土墙即可稳定的边坡”,“该土坡是稳定的”。
笔者认为,这种说法是不正确的。用国标《边坡规范》2013版列出的简化毕晓普法算得该边坡抗滑稳定系数为1.00,它小于该标准规定的任何安全等级的稳定安全系数(无论是永久边坡还是临时边坡)。因此,该边坡抗滑稳定系数远未满足要求或者说该边坡抗滑稳定性远未达到稳定的评价标准,存在失稳的极大风险,需对该边坡进行处理。
4.关于使人忧虑的事
该学者说:“这种考题会使土力学知识很精准的专家和实践经验很丰富的总工都很难通过注册考试;那些计算速度很快,一知半解地迷信于规范的考生倒是容易混过考试,这是很使人忧虑的。”
对此说法,笔者的看法是:
(1)该学者提到的情况确实存在,也确实让人忧虑,但是该学者提到的情况和因此产生的忧虑建立在如上所述的一部分不正确认识的基础上。
按该学者的理解,对该考题,如果明确土体侧面有挡墙,不出现“边坡”一词,并通过增大墙背倾角,降低土体强度参数,给定墙背摩擦角等于墙背以竖直面为基准、仰斜为负的倾斜角的条件,使主动土压力大于0,那么用国标《边坡规范》2013版第6.2.10条公式计算平面破裂角是合适的。
但实际上,按国标《边坡规范》2013版,这种情况下的考题仍是错误的,原因是:与主动土压力对应的抗滑稳定系数为1,而该标准是边坡工程的专门标准,该第6.2.10条所在章的标题为“边坡支护结构上的侧向岩土压力”,该标准中边坡抗滑稳定的评价标准是抗滑稳定系数大于抗滑稳定安全系数(后者是一个明显大于1且随工程重要性变化的值);也就是说,若无特别声明,该标准中的侧面无挡墙和有挡墙的岩土体都是边坡。无论抗滑稳定性如何,均质土质边坡都不存在平面破裂角,因而对均质土质边坡都不应要求计算平面破裂角。
由此可知,只要保留执行国标《边坡规范》2013版的要求,对该考题作上述调整并不是消除这种忧虑的办法。
(2)根据本文第3节(“关于该考题中的边坡稳定性评价结论”)可知,用主动土压力概念计算边坡抗滑支护结构岩土荷载将给边坡工程带来严重安全隐患。因此,与考试本身过关与否这类事项相比,这种考题更让人忧虑的地方是这样的错误导向:对岩土工程师通过严格执行国标《边坡规范》2013版第6.2.10条及其他类似错误条文设计出十分危险的边坡工程予以肯定和鼓励。
(3)消除忧虑的办法不是对该考题作出上述可导致主动土压力为正值的调整,而是下列办法:
因国标《边坡规范》2013版有200多个自相矛盾之处和20多个重要缺项,有 10个给工程带来严重安全隐患的条文,一般命题者很难厘清该标准条文的正误,故不将该标准纳入注册岩土工程师执业资格考试所用标准。
鉴于边坡工程在我国岩土工程中的重要性,立即对国标《边坡规范》2013版进行修改。笔者已经就该标准修改专门出版了一部约60万字的著作(它包含了该标准未来版建议稿要点及其说明)【1】,与国标《边坡规范》2013版相比,书中的建议稿要点减少了200多个自相矛盾之处和20多个重要缺项,消除了10个条文给工程带来的严重安全隐患,而应用该建议稿要点所需条件、能力和勘察设计成本与执行国标《边坡规范》2013版相当。
参考文献
【1】方玉树.《建筑边坡工程技术规范》(GB50330-2013)修改建议【M】.重庆:重庆出版社,2020.

我的更多文章

下载客户端阅读体验更佳

APP专享